Gigatron specifications
Dimensions: 25.2 cm x 17.6 cm x 3.0 cm
Weight: 500 g
Operating temperature: 18-27 ºC (65-80 ºF)
Operating voltage: 5.0 ± 0.25 V DC
Power consumption: < 90 mA
Clock speed: 6.25 MHz
Memory (RAM): 32K x 8 bits
Memory (ROM): 64K x 16 bits, UV erasable EPROM
Video: 59.98 Hz VGA compatible (standard DE-15 connector)
Resolution: 160×120 (typical), up to 160×480, in 64 colors
Audio: 3.5 mm jack
Block diagram and schematics

Circuit diagram: Schematics.pdf
| AC | Accumulator |
| ALU | Arithmetic and Logic Unit |
| BUS-AC, BUS-D, BUS-IN | Tri-state buffers |
| CLK | Clock |
| CU | Control Unit |
| D | Data Register |
| IR | Instruction Register |
| MAU | Memory Address Unit |
| OUT | Output Register |
| PC | Program Counter |
| RAM | Random Access Memory |
| ROM | Program Memory |
| X | Low Address Register |
| XOUT | Extended Output |
| Y | High Address Register |
Instruction set
The native 8-bit instruction set has 17 instructions :
Memory load/store: ld st Logical operations: anda ora xora Arithmetic operations: adda suba Unconditional jumps: jmp bra Conditional jumps: bgt beq bge blt bne ble Others: nop ctrl
The instruction encoding is defined by this table:

Handy logic diagrams for the chips that are in the Gigatron, and links to their data sheets:
7400 series
- 74HCT04 Hex inverter:

- 74HCT32 Quad 2-input OR gate:

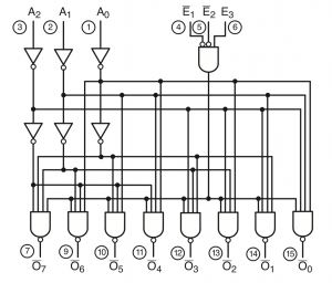
- 74HCT138 3-to-8 decoder:

- 74HCT139 Dual 2-to-4 decoder:

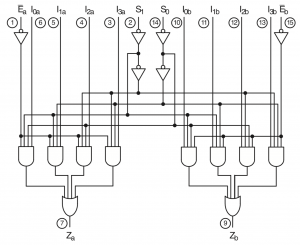
- 74HCT153 Dual 4-to-1 multiplexer:

- 74HCT157 Quad 2-to-1 multiplexer:

- 74HCT161 4-bit binary counter:

- 74HCT240 Octal inverting buffer with tri-state outputs:

- 74HCT244 Octal buffer with tri-state outputs:

- 74HCT273 Octal D-type flip-flop with reset:

- 74HCT283 4-bit binary adder with fast carry:

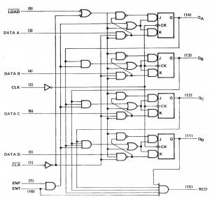
- 74HCT377 Octal D-type flip-flip with clock enable:

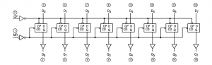
- 74HC595 8-bit shift register with tri-state output:

Others
- 27C1024 64Kx16 UV erasable EPROM (≤150ns):

- 62256 32Kx8 static RAM (≤70ns):

- MCP100 Supervisory circuit:

- CD4021B shift-register (similar to game controller)

Design files
KiCad files and gerbers for printed circuit board:
KiCad files and gerbers for PS/2 adapter “Pluggy McPlugface”:
Bill of Materials:
Assembly and user manual:

